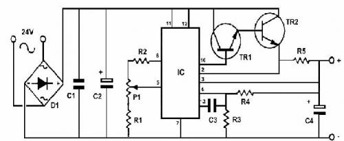
Komponen :
R1 = 560R 1/4W C1 = 100nF
R2 = 1,2 K 1/4W C2 = 2200uF 35-40V
R3 = 3,9 K 1/4W C3 = 100 pF
R4 = 15K 1/4W C4 = 100uF/ 35V
R5 = 0,15R 5W
R2 = 1,2 K 1/4W C2 = 2200uF 35-40V
R3 = 3,9 K 1/4W C3 = 100 pF
R4 = 15K 1/4W C4 = 100uF/ 35V
R5 = 0,15R 5W
D = B40 C3300/2200, 3A rectifier bridge
P1 = 10K potesiometer TR1 = BD 135
IC = LM723 TR2 = 2N3055
P1 = 10K potesiometer TR1 = BD 135
IC = LM723 TR2 = 2N3055


0 komentar:
Posting Komentar